偏心机轮托辊

产品型号:
DDZ系列断带保护器

产品概述:

DDZ系列断带保护器是一种先进的断带保护装置,是在皮带输送系统中对其安全保护的理想设备,整机设计合理、紧凑,具有完善的保护和控制数学模型,其结构简单、工作稳定、运行可靠、操作方便,维护量小,不仅适用于常规环境,而且适用于酸、碱、盐及大气腐蚀环境。广泛应用于冶金、电力、矿山、港口、化工、水泥、建材、粮食等行业。

DDZ系列断带保护器的种类:DDZ系列断带保护器大致分为悬浮式、固定式、挤压式等三个种类。

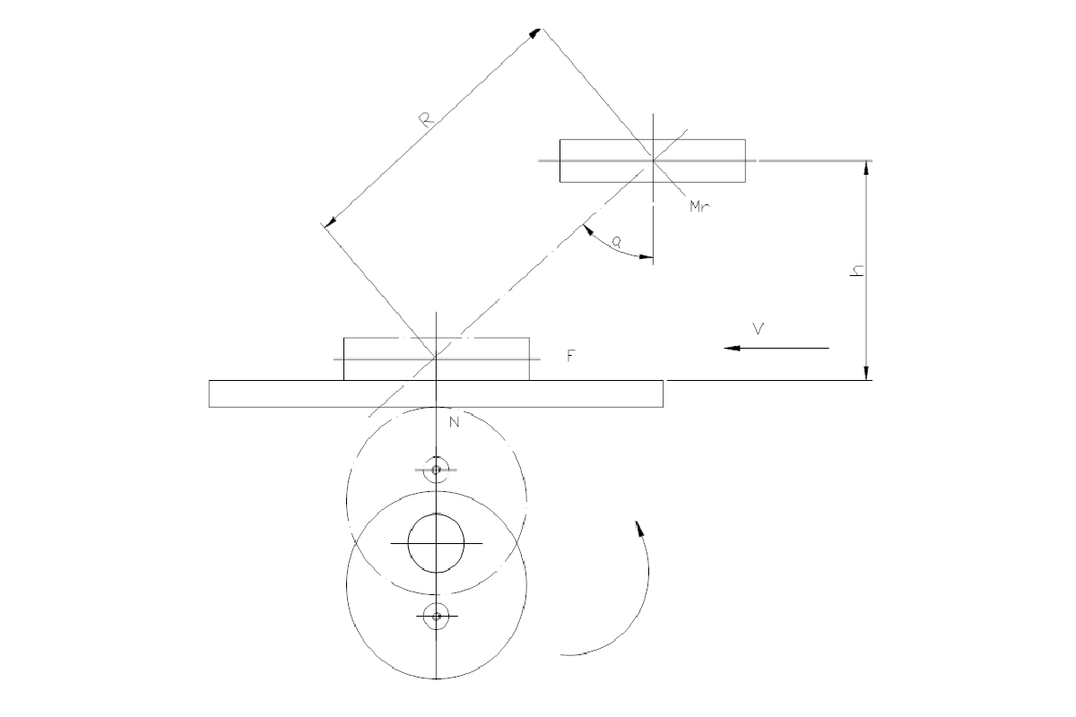
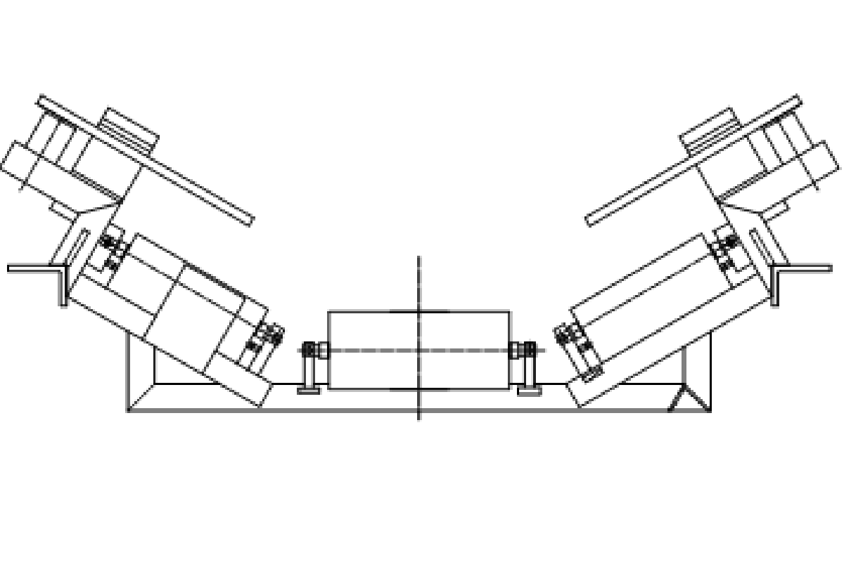
DDZ系列系统组成:DDZ系列断带保护器主要由:断带保护器架、偏心托辊、同心托辊和摩擦装置等四部分组成。


使用条件:

系统性能

1、可产生的抓捕力度:1.5-3T ;

2、适用皮带宽度:800-2000mm;

3、皮带输送机倾角:<30°;

4、适用皮带形式:U型、槽型等皮带;

5、环境温度:-20°C~+60°C;


产品优势:

适应性强

反应灵敏

维护简便

可靠性高

工作原理:

将断带保护器,安装于皮带输送机的纵梁上,通过其偏心托辊、同心托辊与皮带输送机上的皮带的接触,产生正向的运动趋势;由于其偏心托辊只能同皮带输送机上的皮带同一方向运动,所以当由于输送机故障而产生皮带下滑时,通过偏心托辊的反向运动与其摆臂上的摩擦装置迅速贴合,瞬间抓住输送机上的皮带,从而起到保护皮带和避免因皮带下滑而产生的各种损失的作用。

安装与使用:

断带保护器的安装是一项专业性很强的技术工作,特别是在现场进行组装的断带保护器,因此要求安装调试人员具有丰富的经验,才能保证安装质量,同时又要求需方给予必要的人员及相应的工具配合,以能达到最佳效果。整体结构简单,易于安装和拆卸,日常维护工作量小,降低了设备的维护成本和停机时间。一些部件采用模块化设计,便于更换磨损的零件。

性能特点

Performance characteristics

该断带保护器结构简单,工作稳定可靠

该断带保护器结构简单,工作稳定可靠,通过独具特色设计使其占用空间减至最低,而且防震、防蚀、维护量极少,现场安装简单方便;其抗侧向力、水平分力的设计,使得皮带跑偏水平分力、皮带张力对断带保护器的影响较小;高强度的矩型材料刚性好,变形小,保持了断带保护器受力和长期的稳定性。

断带保护器安装方便,防尘、防水、双层密封,寿命长,稳定性好

摩擦快采用140X100的结合面,上部为优质钢板,下部是高科技防暴刹车材料,接角面大,包角大,可消除摩擦块与皮带接触打滑所产生的误差。

独具纠偏功能,无需人工操作操作

独具纠偏功能,无需人工操作操作,断带保护器便可进行自动校准皮带,可靠的保证了断带保护器安全性与稳定性。

托辊为密封,防尘、防水、防腐蚀结构

售后服务

after-sale service

技术服务和安装指导

在皮带机安装期间,厂家派技术人员到用户处免费进行技术服务和安装指导。

24小时内到达指定现场

用户在使用过程中出现不正常现象,厂家在接到通知后24小时内到达指定现场。

联系人  Contacts

孙经理

电话  Telephone

18651469368

24小时内到达指定现场

用户在使用过程中出现不正常现象,厂家在接到通知后24小时内到达指定现场。

地址  Address

江苏省徐州市铜山区利国镇马元村c194